TLS-200GP高频激光测距位移传感器(200米量程)
- ●::越限继电器输出,支持NPN/PNP;电压、电流模拟输出;RS485输出
- ●::优异的范围、重复精度和准确度组合可实现高度可靠的目标检测和精确的距离测量
- ●::OLED显示屏和按钮编程,易于安装、故障排除和实时距离测量
- ●::耐用的IP67外壳、高度抗环境光干扰和各种温度下稳定的性能在有挑战性的环境中提供可靠的性能
凯基特TLS激光测距传感器可在300米或者更远距离范围内检测垂直或倾斜的目标,不受颜色、材料或光泽度影响。
•越限继电器输出,支持NPN/PNP;电压、电流模拟输出;RS485输出
•优异的范围、重复精度和准确度组合可实现高度可靠的目标检测和精确的距离测量
•五个8段显示屏和按钮编程,易于安装、故障排除和实时距离测量
•耐用的IP67外壳、高度抗环境光干扰和各种温度下稳定的性能在有挑战性的环境中提供可靠的性能

电子参数
| 供电电压 UV | DC 10V...30V |
| 残余纹波 | ≤ 5 V |
| 功耗 | ≤ 2.1W 4) |
| 初始化时间 | ≤ 250ms |
| 预热时间 | ≤ 10s |
| 外壳材料 | 铝合金(AL) 有机玻璃(PMMA) |
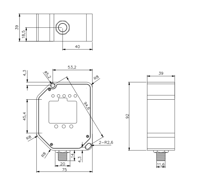
| 连接类型 | M12防水接头,引线 |
| 显示器 | 5位数码管, 5 x LED |
| 重量 | 360g |
| 外壳防护等级 | IP65 |
| 防护等级 | III |
1) 极限值,反极性保护在具备短路保护的 电路中运行时:适合大 8 A.
2) 对于 TLS-xxxx:UV > 15 V.
3) 不得低于或超出 UV公差.
4) 无负荷.
性能参数
| 测量范围 | 0-5M ,0-10M,0-15M ,0-20M,0-30M ,50M,80M,100M,150M,200M |
| 测量物体 | 自然物体 |
| 分辨率 | 1mm |
| 精度 | 精度1.5 mm+d 0.5‰ |
√ 量程可设置,适合大30米
√ 数码管实时显示测量结果
√ LED状态显示
√ 电压模拟输出
√ 越限继电器输出(支持NPN/PNP)
√ 测量距离矫正
√ 基本参数设定
√ RS485接口,支持Modbu s RTU协议.
| 频率 | 5Hz,10Hz, 20Hz, 30Hz |
| 输出时间 | ≥ 4 ms 6) |
| 光源 | 红色激光 |
| 激光等级 | 1 (IEC 60825-1:2014, EN 60825-1:2014) 7) |
| 典型光电尺寸距离() | 15 mm x 15 mm (10 m) |
| 其他功能 | 可设置的滑动平均值:快/慢, 切换模式:距离对象 (DtO), 可示教、参数化和反转的数字输出, 可调节滞后现象, 示教式、可参数设置、可逆式模拟输出端, 多功能输入:激光关闭/外部示教/禁用, 关闭显示屏, 恢复出厂设置, 锁定用户操作界面 |
| 平均激光使用寿命(25℃ 时) | 100,000 h |
1) 对应于 1 σ.
2) 6% ... 90% 反射率.
3) 取决于设置的平均值形成方式:快/慢.
4) 90% 反射率.
5) 将物体从侧面引入测量范围.
6) 持续在测量范围内更改至物体的距离.
7) 波长:658 nm;
8)适合大功率:120 mW;
9)脉冲持续时间:2.5 ns;接触率:1/400.
接口参数
| 数字输出 | ||
| 数量 | 1 1) 2) 3) | |
| 类型<, /SPAN> | PNP,NPN可选择 | |
| 适合大输出电流IA | ≤100 mA | |
| 模拟输出端 | ||
| 数量 | 1 | |
| 类型 | 电压/电流输出可选 | |
| 电压/电流 | 0V-10V/4mA-20mA,≤300Ω | |
| 分辨率 | 12bit | |
| 多功能输入(MF) | 1 x3) 4) | |
| 滞后 | 10mm...1000mm |





